服務熱線
0769-28680919
153-2293-3971 / 177-0769-6579

【檢測目的】
通過視覺定位泡沫外殼,屏幕,保護層泡沫的位置
【泡沫外殼】


【保護層】






【屏幕】




【檢測原理及說明】
1.泡沫外殼視覺檢測:通過四個角的4套CCD檢測出來外殼的四條邊,可以得到對角線的交點,即為外殼的中心抓取點
2.保護層的角的視覺檢測方法和外殼檢測方法一致(如果保護層貼著外殼的邊緣,會出現邊緣無法準確的抓取得情況)
3.玻璃屏幕視覺檢測:①產品有兩邊是帶電路的透明玻璃,兩邊為不透明的面板,所以針對不同的邊需要更改光源的亮度②屏幕在框里面有較大的活動范圍,會出現第二層的屏幕邊緣會露出來影響最上面一層屏幕的邊緣抓取③產品擺放方向如果不一致,會造成邊緣無法準確識別
【方案評估】
以目前樣品進行光學實驗及圖像處理結果來看,可以找出外殼的中心點,可以找到保護層的邊(不貼著外殼的情況下);玻璃屏幕的定位影響因素較多。本方案的視野為150mm*112.5mm,視覺精度為150mm/2592pix=0.057mm/pix。
【硬件配置】

【打光示意圖】

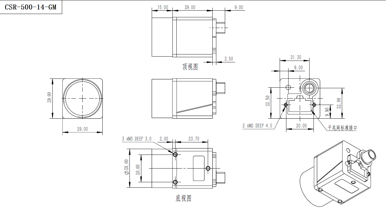
【硬件圖紙-相機】

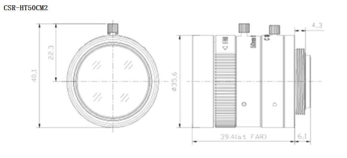
【硬件圖紙-鏡頭】

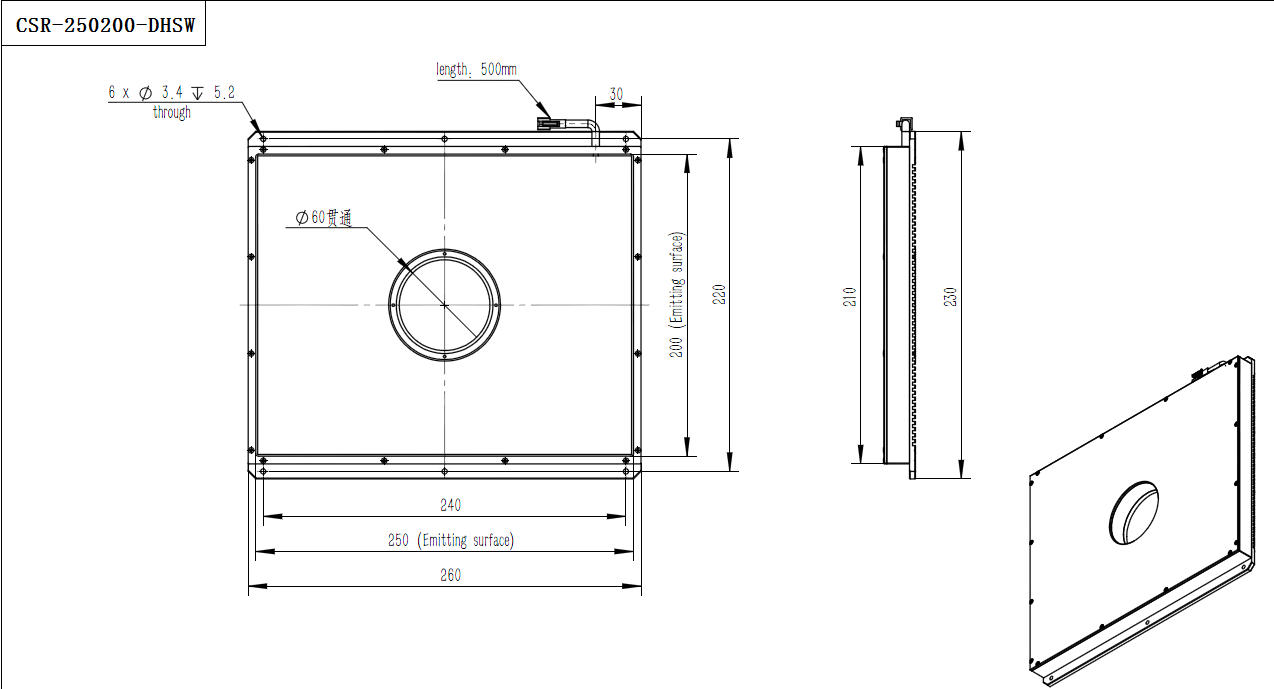
【硬件圖紙-光源】

官方公眾號
官方抖音號Copyright ? 2022 東莞康耐德智能控制有限公司版權所有.機器視覺系統 粵ICP備2022020204號-1 聯系我們 | 網站地圖
